Make 1/2016
S. 50
Grundlagen
Aufmacherbild

Strombremse

Widerstände gehören zu den elementarsten Bauelementen elektronischer Schaltungen. Dennoch fehlt Anwendern oft das Grundwissen, Widerstände richtig einzusetzen und zu dimensionieren. Wir helfen Ihnen auf die Sprünge.

Bastelplatinen wie der Raspberry Pi und der Arduino machen das Umsetzen eigener Projekte zum Kinderspiel. Über spannende Software stolpert man in Foren und Blogs ständig. Doch wenn es über das Laden von Software hinausgeht und man an die Pins der Controller weitere Hardware oder Bauelemente für eigene Zwecke anschließen will, kommen viele ins Straucheln: Kann ich eine LED oder den Transistor einfach so anschließen? Muss ich Logik-Pegel anpassen und wenn ja, wie? Was muss ich beachten?

In den meisten Situationen helfen Widerstände, das Problem zu lösen. Wie der Name vermuten lässt, sind Widerstände Bauelemente, die dem elektrischen Strom einen Widerstand entgegensetzen. Das Schaltzeichen nach EN 60617 ist im Bild rechts zu sehen. In den USA benutzt man meist das Schaltzeichen nach ANSI, das den Widerstand als Zick-Zack-Linie (siehe Bild rechts unten darstellt. Europäern stellen sich angesichts dessen zwar mitunter die Nackenhaare auf, aber auch in der Layout-Software Fritzing werden Widerstände so dargestellt – und damit manchmal auch im Make-Magazin, wenn Autoren ihre Schaltpläne damit erstellt haben und wir sie im Heft abdrucken.

Widerstände lassen sich zur Strombegrenzung einsetzen, um bei einer gegebenen Spannung sicherzustellen, dass ein anderes Bauelement nicht durch einen zu hohen Strom überlastet oder gar zerstört wird. Um etwa beim Arduino zu verhindern, dass aus einem Ausgangs-Pin mehr als die erlaubten 20 mA fließen (etwa beim Steuern des Gates eines Power-MOSFETs), muss man einen Widerstand einsetzen.

Normale Widerstände sind lineare Bauelemente, deren Wert sich mit der Formel R = U/I berechnen lässt (siehe Kasten „Das ohmsche Gesetz“), im vorliegenden Fall die Ausgangsspannung des Arduino geteilt durch den Maximalstrom: 5 V/20 mA = 250 Ohm. In der Praxis gibt es Widerstände mit genau diesem Wert jedoch leider nicht. Vielmehr existieren verschiedene sogenannte E-Reihen, in denen die Widerstände mit abgestuften Werten hergestellt werden. Die E12-Reihe (weil 12 Werte in ihr vorkommen), bietet beispielsweise die Werte 10, 12, 15, 18, 22, 27, 33, 39, 47, 56, 68, 82 – und das jeweils in verschiedenen Zehnerpotenzen, also 12, 120, 1200, 12 000 Ohm und so weiter.

Wie man sieht, liegen die zuvor berechneten 250 Ohm in der E12-Reihe zwischen 220 und 270 Ohm. Wählt man 220 Ohm, fließt etwas mehr als der erlaubte Strom (5 V/220 Ohm= 22 mA), bei 270 Ohm etwas weniger. Zusätzlich muss man die von den Herstellern für jede E-Reihe angegebene Fertigungstoleranzen beachten. Ist die beispielsweise mit 5 % angegeben, liegt der reale Widerstand des 270-Ohm-Models zwischen 256,5 und 283,5 Ohm.

Die Schaltzeichen für Widerstände, oben nach europäischer Norm, unten nach US-Norm

Für den Heimanwender spielen die Toleranzen in der Regel keine so große Rolle, er wird im Zweifel eher zum Multimeter greifen und den Widerstand durchmessen. In der Serienfertigung muss man sich aber auf die Einhaltung bestimmter Werte verlassen können. Sicherheitshalber würden Entwickler deshalb 270 Ohm wählen, um die 20 mA auf keinen Fall zu überschreiten.

Näher an den oben berechneten Wert käme man mit einem (idealen) 240-Ohm-Widerstand aus der E24-Reihe (10, 11, 12, 13, 15, 16, 18, 20, 22, 24, 27, 30, 33, 36, 39, 43, 47, 51, 56, 62, 68, 75, 82, 91). Eine Punktlandung erreicht man durch Serienschaltung der Widerstände 120 und 130 Ohm, wenn man die Toleranzen ignorieren würde.

Bleibt noch zu klären, wie belastbar der Widerstand sein muss. Aus den obigen Werten ergibt sich eine Verlustleistung von 5 V × 20 mA= 0,1 W, die in Wärme umgesetzt wird. Günstige Widerstände mit Kohleschicht als Leiter haben üblicherweise eine Nennlast von 0,125 W (oder 0,25 W) und sind damit ausreichend.

Vorwiderstand

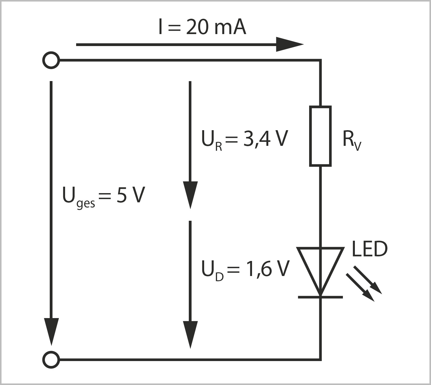
Einfarbige LEDs lassen sich nicht einfach an eine Spannungsquelle (oder den Ausgang eines Mikrocontrollers) anschließen. Vielmehr ist ein Vorwiderstand notwendig, der den Strom durch die LED begrenzt und das Zuviel an Spannung aufnimmt. Zu seiner Berechnung muss man wissen, dass eine LED kein lineares Bauelement ist. Sie hat eine sogenannte Durchlassspannung, ab der sie zu leuchten beginnt. Bei einer grünen LED liegt diese Spannung bei 2,1 V, bei einer roten bei 1,6 V.

Um die rote LED beispielsweise an einer 5-V-Quelle zu betreiben, muss der Vorwiderstand die Spannung um 5 V – 1,6 V = 3,4 V verringern – üblicherweise nennt man das Spannungsabfall (hat nichts mit Müll zu tun). Für eine ausreichende Helligkeit setzt man einen Strom durch die LED (und damit auch durch den Widerstand) von 20 mA an. Daraus ergibt sich für den Widerstand Rv: 3,4 V/20 mA = 170 Ohm. Hat man Widerstände der E12- oder E24-Reihe, setzt man das 180-Ohm-Modell ein. Genau genommen benötigt man für die exakte Bestimmung der Durchlassspannung zu einem gegebenen Strom bei einer LED das Datenblatt. In erster Näherung kann man aber wie gezeigt verfahren, um die LED zum Leuchten zu bringen.

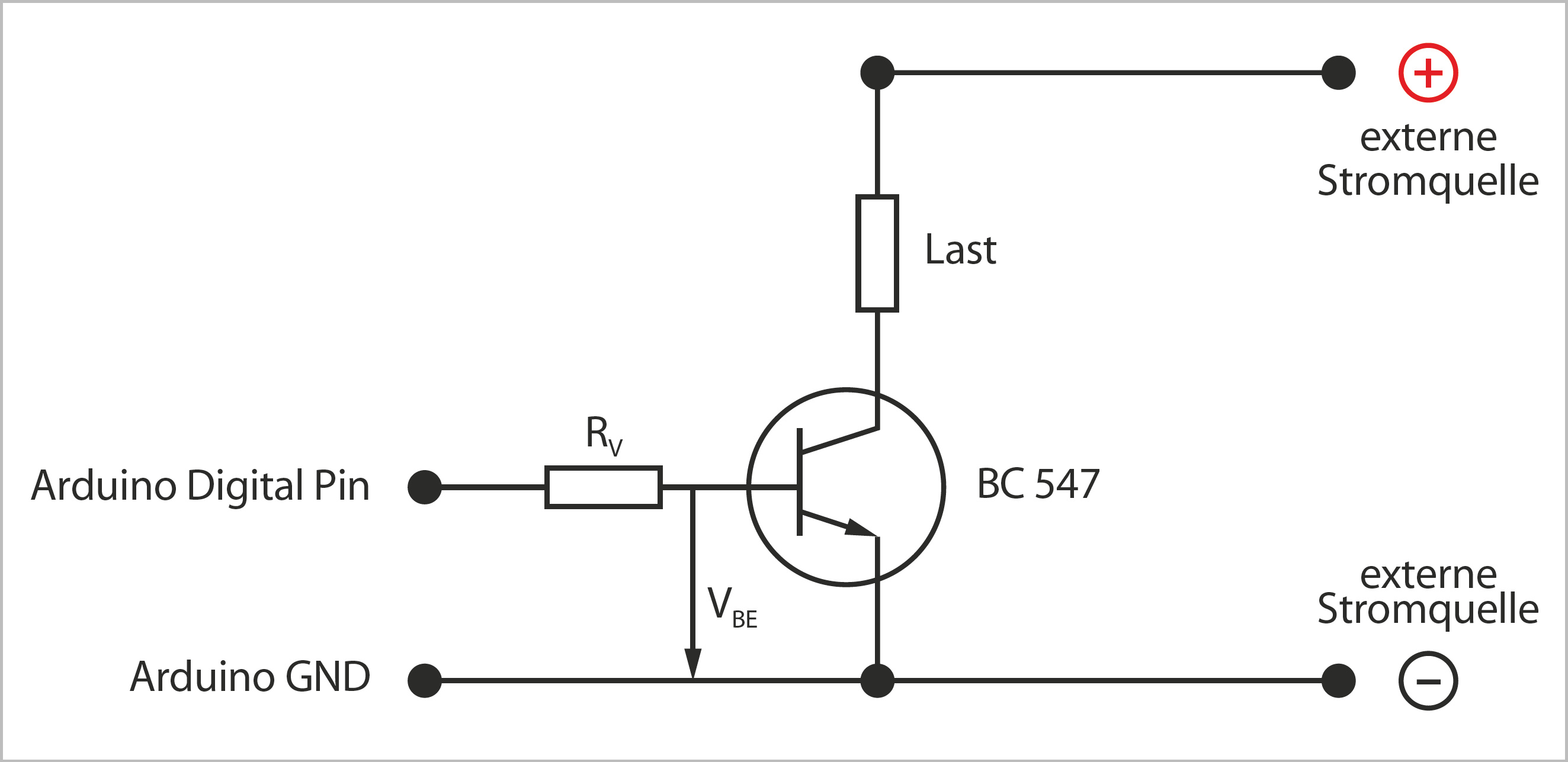
Ähnlich geht man vor, wenn man einen Kleinsignaltransistor an einen Arduino oder Pi anschließen will, um etwa einen kleinen Motor mit weniger als 100 mA Stromaufnahme anzutreiben. Der Wald-und Wiesen-Typ BC547 (und seine Geschwister) benötigt zum Durchschalten seiner Collector-Strecke laut Datenblatt eine Basis-Emitter-Spannung Vbe von 0,9 V bei einem Basisstrom von 5 mA. Der Basis-Vorwiderstand berechnet sich aus der Ausgangsspannung des Controllers abzüglich Vbe geteilt durch den Basistrom: 4,1 V/5 mA= 820 Ohm. Donnerknispel, der Wert passt auf Anhieb in die E12-Reihe.

Bis hierhin hat alles mit den üblichen Widerständen funktioniert. Will man eine Miniatur-Kugellampe, wie man sie aus Taschenlampen oder alten Fahrrädern kennt, an einer 9-V-Blockbatterie betreiben, muss man jedoch zu einem Widerstand mit einer höheren Nennlast als 0,125 W greifen. Die Lampe ist für 2,5 V bei 300 mA spezifiziert. Daraus ergibt sich ein erforderlicher Spannungsabfall am Widerstand von 6,5 V. Als Widerstand ergibt sich 6,5 V/300 mA = 216 also 220 Ohm (E24). Allerdings ergibt sich eine recht hohe Verlustleistung von 6,5 V * 0,3 A = 1,95 W. Das hält leider kein normaler Kohleschichtwiderstand aus. Metalloxidschicht-Widerstände gibt es indes für 2 W Nennlast und mehr. Allerdings sollte man sich fragen, ob es nicht andere Mittel gibt, den Strom zu begrenzen beziehungsweise die Spannung zu verringern, statt das Labor aufzuheizen.

In einigen Fällen kann aber Letzteres genau der Sinn und Zweck sein, nämlich einen Widerstandsdraht aufzuheizen, um Styropor zu schneiden oder Plexiglas zu erweichen und zu biegen. Derartige Drähte gibt es aus Konstantan von der Rolle mit beispielsweise 3,9 Ohm pro Meter. Auf den Rollen ist oft der nötige Strom angegeben, um eine Temperatur von 200 °C zu erreichen, zum Beispiel 1,57 A. Daraus ergibt sich bei 1 Meter eine Spannung von U= I * R = 1,57 * 3,9 = 6,12 V, die ein Netzteil aufbringen muss.

Spannungsteiler

In vielen elektronischen Schaltungen werden unterschiedliche Spannungen oder Pegel verwendet. Statt für jede Spannung einen Spannungsregler oder aktive Pegelwandler einzusetzen, kann man auch auf einen simplen Spannungsteiler zurückgreifen. Dabei ist das Verhältnis der Spannungen U1/U2 gleich dem Verhältnis der Widerstände R1/R2 (siehe Bild oben Mitte).

Der Widerstand Rv verringert die Spannung für die LED.
Beim unbelasteten Spannungsteiler gilt U1/U2 = R1/R2. Mit ihm lassen sich Pegel zwischen Mikrocontroller und Sensoren anpassen.

Beim Einsatz des Spannungsteilers zum Herabsetzen eines Pegels von beispielsweise 5 V auf 3,3 V (5 V/3,3 V = 1,5) kann man die Regel sofort ansetzen: Als Beispiel wäre ein Widerstandspaar mit 1800 Ohm und 2700 Ohm möglich. Die Widerstände sollten so dimensioniert sein, dass der Stromfluss nicht zu gering ist, um die Signale bei schnellerer Übertragung nicht zu verschlechtern.

Das Ganze funktioniert nur solange, wie aus der Mittelanzapfung des Spannungsteilers kein Strom fließt. Andernfalls spricht man vom belasteten Spannungsteiler, bei dem zu R2 ein Verbraucher parallel geschaltet wird. Der hat natürlich einen eigenen Widerstand RL, womit sich die Widerstandsverhältnisse und ebenda auch die Spannungsverhältnisse manchmal mehr und manchmal weniger verändern.

Beim belasteten Spannungsteiler ergibt sich aus R2 und RL ein neuer Widerstandswert.

Unsichtbare Widerstände

An vielen Stellen können gewollt eingebaute Widerstände die Lösung für ein Problem sein, an manchen Stellen sind Widerstände aber auch unerwünscht, beispielsweise in Leitungen, in Spannungsquellen und an Kontakten.

Mit dem Basisvorwiderstand begrenzt man den Strom in den Transistor.

Bei Leitungen oder Kabeln ist die Lage klar: je geringer der Widerstand, desto weniger Spannungsabfall und desto weniger Verlustleistung. Ein mittlerweile weit verbreitetes Problem sind schlechte USB-Kabel mit zu geringem Leitungsquerschnitt, wenn man sie zum Aufladen seines Smartphones benutzt. Einige Smartphones vertragen bis zu 1 Ampere Ladestrom. Hat das Kabel einen Widerstand von 0,5 Ohm, fallen an ihm 0,5 V ab. Bei einer Spannung am Ladegerät von 5 V liegt die am Smartphone ankommende Spannung bei 4,5 V – gerade noch über der laut USB-Standard mindestens erforderlichen 4,4 V.

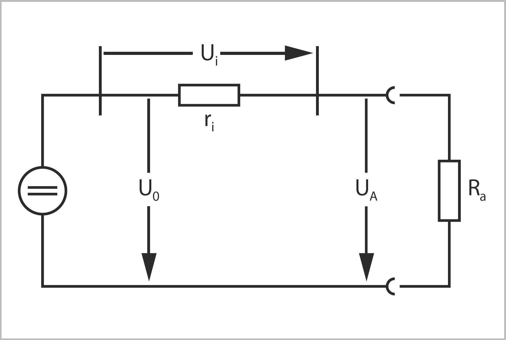
Das sogenannte Ersatzschaltbild für eine Spannungsquelle mit Innenwiderstand

Wenn jetzt noch schlechte Kontakte mit einem hohen Übergangswiderstand weitere Spannungsabfälle verursachen, dann erreichen das Smartphone vielleicht nicht mal mehr 4 V. Einfach ein USB-Kabel aus der Grabbelkiste zu nehmen, kann also zu seltsamen Fehlern führen. Besser ist es, das Geräten beigelegte USB-Kabel zu benutzen, da es für die zu erwartenden Ströme dimensioniert ist.

Die gleichen Überlegungen gelten natürlich auch für USB-Geräte am USB-Bus eines PCs – nur bei etwas geringeren Strömen. Wegen unwägbarer Spannungsabfälle sind Verlängerungskabel deshalb für USB nicht vom Standard abgedeckt. Um festzustellen, wie gut ein Kabel ist, reicht es leider nicht, auf der Ausgangsseite die Spannung zu messen. Der Spannungsabfall wird ja erst durch einen fließenden Strom erzeugt, somit würde man die volle Spannung messen und fälschlicherweise annehmen, alles wäre bestens. Stattdessen muss man den Widerstand des Kabels messen, was allerdings bei solchen mit Micro-USB-Stecker relativ fummelig ist.

Innenwiderstände

Zu den unerwünschten Widerständen zählen auch die Innenwiderstände von Spannungsquellen (auch Ausgangswiderstand genannt). Sie führen dazu, dass bei Stromfluss die Ausgangsspannung absinkt. Man kann diesen unerwünschten Effekt bei Batterien beobachten, deren chemische Zusammensetzung den inneren Widerstand festlegt.

Insbesondere Zink-Kohle-Batterien haben einen vergleichsweise hohen Innenwiderstand von bis zu 0,5 Ohm (Alkali-Mangan nur 0,15 Ohm). Fließt ein Strom von 500 mA etwa in einem motorisierten Spielzeug, kommt aus der Batterie nur noch eine Spannung von 1,25 V (bei 1,5 V Leerlauf) heraus: Am Innenwiderstand fallen 0,5 A × 0,5 Ohm = 0,25 V ab. Aus diesem Grund sind Zink-Kohle-Batterien nur für Geräte mit niedriger Stromaufnahme geeignet. Grundsätzlich gilt: Je niedriger der Innenwiderstand, um so besser. Der Innenwiderstand von Bleigel-Akkus liegt typischerweise unter 100 Milliohm, der von LiPo-Modellen unter 20 Milliohm.

Messgeräte haben ebenfalls einen Innenwiderstand (auch Eingangswiderstand genannt), den man in manchen Fällen berücksichtigen muss. Misst man mit einem Spannungsmessgerät die abfallende Spannung an einem Widerstand R, so entsteht eine Parallelschaltung mit dem Innenwiderstand Ri – wie beim belasteten Spannungsteiler. Durch die Parallelschaltung verringert sich der effektive Widerstand, sodass die Messung verfälscht wird – man misst eine geringere Spannung.

Um die Messung so wenig wie möglich zu beeinflussen, haben Voltmeter einen vergleichsweise hohen Eingangswiderstand über 1 MOhm. Je größer aber der Widerstand ist, an dem man misst, desto mehr verfälscht man das Ergebnis wie sich leicht nachrechnen lässt. Die Parallelschaltung eines 10-k-Ohm-Widerstands mit dem Messgerät resultiert in einem Widerstand von 9900 Ohm.

In der nächsten Ausgabe behandeln wir temperaturabhängige und einstellbare Widerstände. dab